时间:2024-03-27 08:15:36 点击数:
导读
介绍了提升机恒力矩安全制动系统中双泵液压站的工作原理和功能;分析了常用板式液动换向阀应用中存在的阀芯容易卡阻、弹簧使用寿命短等问题;设计了一种基于二通插装阀的新型液动换向阀,并阐述了其原理;详细说明了提升机双泵液压站中,新型液动换向阀的两种设计和安装方式。采用新型液动换向阀,简化了阀组油路块的油孔设计,使其寿命更长,安全可靠性更高。
矿井提升系统是矿山开采的关键设备,主要承担全矿的煤炭、矿石、废石等的提升任务,以及人员、设备、材料等的运送任务。液压站是矿井提升机重要的安全和控制部件,它和盘形制动器组合成为一套完整的制动系统。
为提高制动系统的安全可靠性,液压站通常设计有备用装置。目前,提升机液压站常用的备用装置设计方案有以下 3 种。
(1) 双泵液压站 该方案中,1 套制动系统配置1 台液压站。液压站上设计 2 套泵装置+1 套液压阀组,2 套泵装置互为备用,1 套液压阀组共用。当工作泵出现故障时,通过电控程序可实现备用泵的自动切换。
(2) 双系统液压站 该方案中,1 套制动系统配置 1 台液压站。液压站上设计 2 套液压系统,互为备用。当工作液压系统出现故障时,通过人工调整出油口球阀及电控程序,可实现备用液压系统的切换。
(3) 双液压站 该方案中,1 套制动系统配置 2台完全相同的液压站。每台液压站上设计 1 套完整的液压系统,2 台液压站互为备用。当工作液压站出现故障时,通过人工调整出油口球阀及电控程序,可实现备用液压站的切换。
上述方案中,双泵液压站结构很简单,备用装置切换很方便,安装空间很小,经济成本很低;因此,在用户对价格、安装空间比较敏感的项目中,经常选用此方案。
双泵液压站中,2 套互为备用的泵装置通过液动换向阀向 1 套共用的液压阀组供油。为了保证泵装置的可靠切换,液动换向阀需要具备可靠的性能。常用的板式液动换向阀,其安装面上油孔众多,阀组油路块设计复杂,同时还存在液动换向阀阀芯容易卡阻、弹簧使用寿命短等问题,使用效果不佳。基于此,本研究提出一种基于二通插装阀设计的新型液动换向阀。
1 双泵液压站
1.1 组成及工作原理
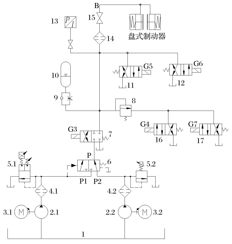
以中信重工生产的恒力矩安全制动双泵液压站为例,其原理如图1 所示。双泵液压站由油箱 1、互为备用的 2 套泵装置、1 套共用的液压阀组组成。其中,泵装置由液压泵 2、电动机 3、过滤器 4、比例溢流阀 5 构成;液压阀组由液动换向阀 6、电磁换向阀(7、11、12、16、17)、溢流阀 8、单向节流阀 9、蓄能器 10、压力传感器 13、过滤器 14、出油口球阀 15构成。连接管路将液压站出油口 B 和盘式制动器连接。

图1 双泵液压站工作原理
1.油箱;2.液压泵;3.电动机;4,14.过滤器;5.比例溢流阀;6.液动换向阀;7,11,12,16,17.电磁换向阀;8.溢流阀;9.单向节流阀;10.蓄能器;13.压力传感器;15.球阀。
1.2 主要功能
1.2.1 工作制动
液压站可以为盘式制动器提供不同油压的压力油,油压的变化由电液比例溢流阀来调节。制动系统正常工作时,电动机 3.1 通电,电磁铁 G3、G4、G5、G6、G7 得电,液压泵 2.1 的压力油经过过滤器4.1、液动换向阀 6、电磁换向阀 7、过滤器 14、球阀15 和出油口 B 进入盘式制动器。司机可以通过调节比例溢流阀 5.1 的比例电磁铁,以控制电压实现油压的变化,从而达到调节制动力矩的目的。当控制电压增加时,系统油压升高,制动器开闸;当控制电压减小时,制动系统油压下降,制动器合闸;当控制电压减小至零时,制动系统的油压很低,降为残压,提升机处于完全制动状态。
1.2.2 安全制动
矿井提升系统发生故障时,提升机需要实现紧急制动。此时,电动机 3.1、比例溢流阀 5.1 的比例电磁铁,以及电磁铁 G3、G4、G7 断电,盘式制动器油压降为溢流阀 8 的调定压力 p1级 值,即第 一 级制动油压值;保压至时间继电器动作时,电磁铁 G5、G6断电,油压降到零,实现全制动。在延时过程中,蓄能器 10 起稳压补油作用,调节单向节流阀 9 的开度可调节其补油速度,使延时过程中 p1级 值基本稳定在要求值。