浅谈矿井提升机盘形制动器的故障及预防对策(1)(图文)

时间:2024-05-12 10:05:09  点击数:


导读

      针对矿井提升机盘形制动器的常见故障,通过对盘形制动器工作原理的分析,总结导致其故障的主要原因,列举了预防盘形制动器故障的相应对策,并对典型案例进行分析,给出了解决方案,可为今后盘形制动器的日常维护和故障处理提供参考。

      矿井提升机主要用于煤矿、金属矿与非金属矿提升、下放人员、材料和设备等,它是联系井上和井下的重要交通运输工具,是矿山的咽喉设备。

      盘形制动器作为矿井提升机安全制动系统的关键部件,其工作可靠性直接关系着矿井提升机的安全性能,影响着矿山的安全生产,盘形制动器一旦发生故障,轻则影响生产进度,重则导致恶性事故的发生。常见的盘形制动器故障主要表现为刹不住车或敞不开闸,导致其故障的原因多种多样。笔者从盘形制动器工作原理的角度分析产生故障的原因,提出相应的预防对策及今后的维护措施,并列举典型案例进行分析。

1 盘形制动器的工作原理

      目前大多数新型矿井提升机的制动系统都使用盘形制动器,与块式制动器相比,盘形制动器具有结构紧凑、动作灵敏、质量轻和散热快等特点。

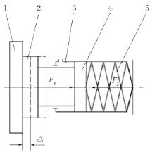
      如图1所示,F1为油压力,F2为弹簧预压缩力。显而易见,盘形制动器是靠油压力 F1松闸,弹簧预压缩力 F2制动来实现其功能的。

      油压力
 

      式中:p 为工作油压,Pa;A 为盘形制动器中的液压缸面积,m2。

      弹簧预压缩力
 

      式中:K 为碟簧的刚度,N/m;Δ0为油压力 p=0 时碟簧的预压缩量,m。
图1 盘形制动器工作原理

      1. 制动盘 2. 闸瓦 3. 液压缸 4. 活塞 5. 碟形弹簧

      当油压力 p=0 时,即 F1=0,闸瓦与制动盘之间的间隙 Δ=0,此时为全制动状态。

      由于存在活塞运动阻力和工作残压的作用,使得全制动状态下盘形制动器输出的正压力

 

      式中:C 为盘形制动器中活塞的运动阻力,N;p0为液压系统中的残压,Pa。
      当油压力 p 增 大到某一值 pn时,闸瓦脱离制动盘,闸瓦与制动盘之间的间隙 Δ> 0,两者之间无正压力存在,此时制动器处于完全松闸状态。

      此时满足
 

      其中

      将式 (1) 和式 (5) 代入式 (4),可得完全松闸状态下
 

      式中:F2′为油压力 p=pn时碟簧的压缩力,N;Δ′为油压力 p=pn时碟簧的压缩量,m。
      盘形制动器的制动力矩是靠闸瓦沿轴向从两侧压向制动盘而产生的,其计算公式为
 

      式中:μ 为摩擦因数;R 为制动半径,m;n 为闸瓦个数。


 



Baidu
map